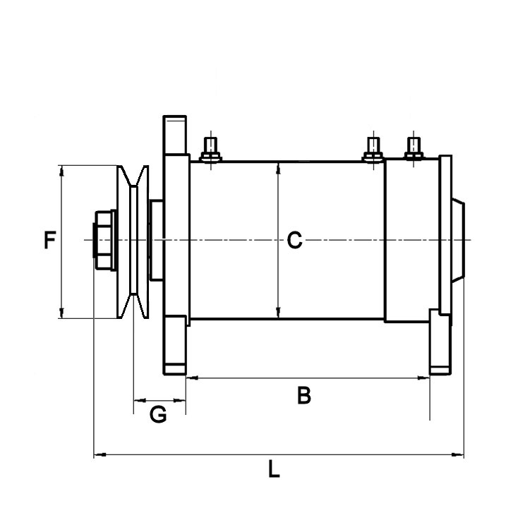
Masse isolée Sans, Kw 0.7, Voltage 12, Amp. 23, Poulie avec, Prod. info Bn, Trou de montage D3 9.60, Ventilateur w/o, Trou de montage D1 9.80, Trou de montage D2 8.60, Info N'est pas fait pour un usage universel., Rotation Horloge/anti horloge de rotation, Diamètre extérieur 113.20, Remarques Régulateur: HC-CARGO 233625., Longueur 247.00