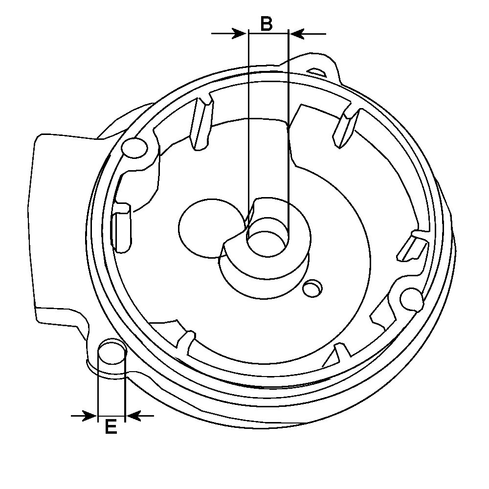
Oil seal w/o, Bearing w/o, Mounting Hole Distance 108.78, Bushing w/, Inner Diameter 28.50, Outer Diameter 123.40, Servicing M127, Height 22.60