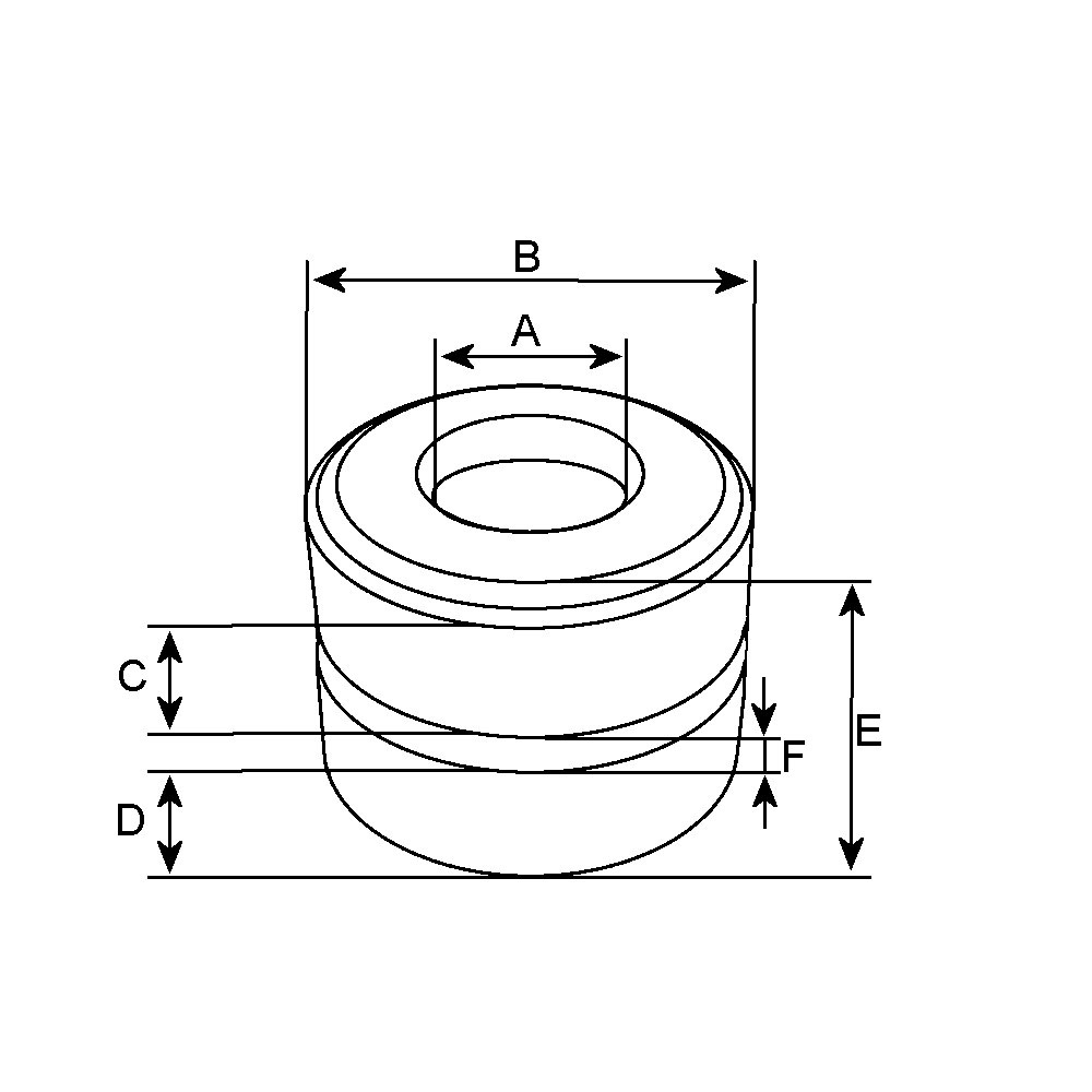
Inner Diameter 13.00, Material Copper, Outer Diameter 15.00, Remarks Quick repair: HC-CARGO 131819, 135173, 135179, 230090., Height 9.40