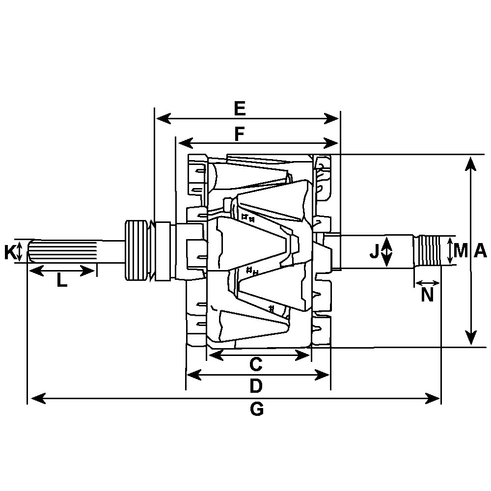
Voltage 14, Amp 125, Wire Diameter 0.90, Thread Length 12.50, Slip Ring Rear 94.20, Slip Ring Outer Diameter 14.00, Slip Ring End Length 38.20, Drive End Length 47.00, Windings 328, Bearing Diameter 17.00, Slip Ring Front 84.30, Wing height 76.00, Cooling fan w/, Rotation CW, Thread size M16-1.50, Outer Diameter 97.80, Remarks Nut: HC-CARGO 191657., Height 50.20, Shaft Diameter 17.00, Total Length 136.50