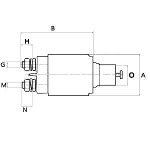
Voltage 24, Terminal 50 Screw, B+ Height 18.00, Coil Bolt Diameter M12, Outer Diameter 66.00, No./mount. holes 4, No./terminals 4, Terminal 50/mm M6, Coil Bolt Length 17.00, Amount of Mounting Holes 4, Total Length 123.00, Remarks Insulated return.