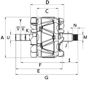
Voltage 14, Slip Ring Outer Diameter 15.80, Bearing Diameter 17.00, Poles 6, Wing height 86.00, Cooling fan w/, Rotation CW, Thread size M16-1.50, Outer Diameter 103.30, Height 56.00, Shaft Diameter 17.00, Total Length 159.00