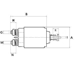
Voltage 12, Terminal 50 Screw, B+ Height 23.00, Coil Bolt Diameter M10, Eye Inner Diameter 5.60, B+ M10, Outer Diameter 61.00, No./mount. holes 3, No./terminals 3, Terminal 50/mm M4, Coil Bolt Length 17.00, Plunger Inner Diameter 11.00, Eye Outer Diameter 19.30, Plunger Outer Diameter 29.80, Amount of Mounting Holes 3, Total Length 108.00, Length 82.85