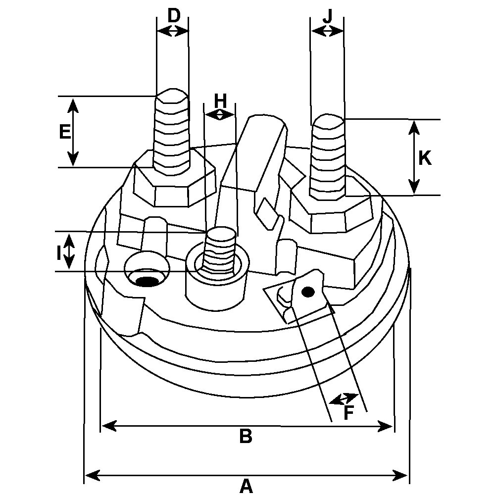
No./terminals 4, Coil Bolt Length 13.00, Terminal 50 size M4, B+ type Bolt, Terminal 15A type Screw, Terminal 50 type Screw, B+ size M8, B+ Width 11.00, Coil Bolt Diameter M8, Terminal 15A size M5, Outer Diameter 51.00, Remarks HC-CARGO 133141, 133642, 135358.