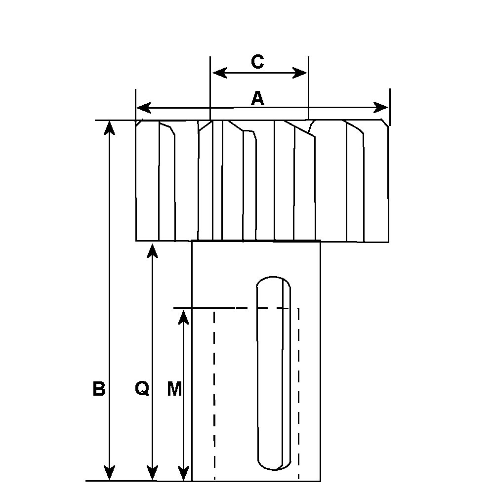
Stråleantal indvendig 3, Gear Uden, Indvendig diameter 14.60, Udv. diameter 34.30, Bemærkning Bronze., Totallængde 120.00, Antal tænder 9