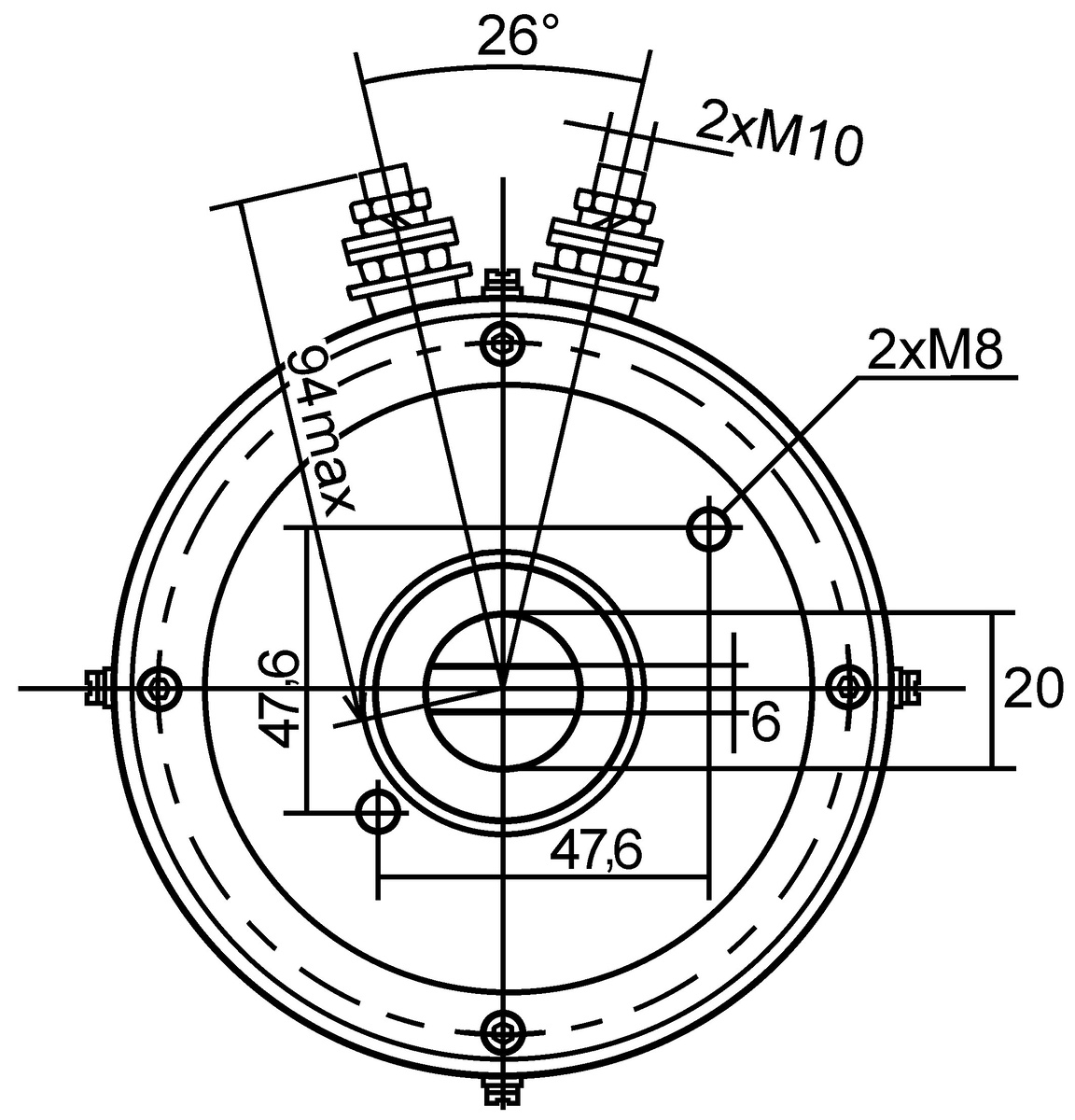
Masse isolée Non, Kw 2.1, Max. Rpm. 2100, Voltage 24, Connecteur regulateur Sans, Poulie Sans, Prod. info BN/OE, Ventilateur Sans, Source Mahle Letrika, Rotation Sens anti-horaire, Diamètre extérieur 114.50, Longueur 191.00